UM2 Pinout Grafic?

Discussions concerning the Ultimaker 2 / Ultimaker 2+ series of printers, including the Ultimaker 2 Go
Post Reply
reibuehl
Reactions:
Posts: 510
Joined: February 9th, 2016, 9:56 am
Location: Stuttgart, Germany
3D Printer(s): BambuLab X1C, Ultimaker 2

UM2 Pinout Grafic?

Post by reibuehl »

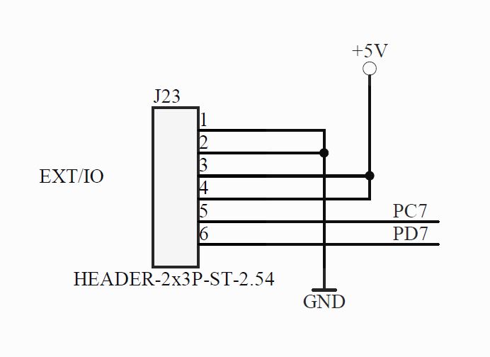
Does anybody of you have a PDF or grapic version of the UM2 Mainboard pin out? Or a version of Altium Designer to create one for me from the Altium files published by Ultimaker? A board view with the pins labled and if possible a schematic would be perfect but I would need to know at least where to find the PC7 (D30) and PD7 (D38) pins.
reibuehl
Reactions:
Posts: 510
Joined: February 9th, 2016, 9:56 am
Location: Stuttgart, Germany
3D Printer(s): BambuLab X1C, Ultimaker 2

Re: UM2 Pinout Grafic?

Post by reibuehl »

I found an older schematic, but that looks like the pins I thought could be used are different than what Marlin expects... is there a digital pin free that could be used for a filament sensor?
reibuehl
Reactions:
Posts: 510
Joined: February 9th, 2016, 9:56 am
Location: Stuttgart, Germany
3D Printer(s): BambuLab X1C, Ultimaker 2

Re: UM2 Pinout Grafic?

Post by reibuehl »

Looks like I found my pins on the EXT/IO header:
Capture.JPG
:-)
User avatar
jonnybischof
Reactions:
Posts: 310
Joined: February 15th, 2016, 2:48 am
Location: Zurich, Switzerland
3D Printer(s): UMO

Re: UM2 Pinout Grafic?

Post by jonnybischof »

Is 2.1.1 still up to date?
I use Altium Designer at work, so I can open the original source files and make any kind of documentation output you want...
Ultimainboard 211 Altium 3D view.png
reibuehl
Reactions:
Posts: 510
Joined: February 9th, 2016, 9:56 am
Location: Stuttgart, Germany
3D Printer(s): BambuLab X1C, Ultimaker 2

Re: UM2 Pinout Grafic?

Post by reibuehl »

The latest version for the UM2 and UM2+ is 2.1.4 which can be found in git.

It would be great if you could create an updated PDF for that version, @jonnybischof. Schematics, top/bottom Silkscreen and maybe the top/bottom 3D view would be perfect. I do not need the copper layers or such. Maybe a parts list, too if that is not too much work?
User avatar
jonnybischof
Reactions:
Posts: 310
Joined: February 15th, 2016, 2:48 am
Location: Zurich, Switzerland
3D Printer(s): UMO

Re: UM2 Pinout Grafic?

Post by jonnybischof »

Ok, working on it.
Can do even better documentation, Altium has a new (for some time now) documentation tool which is really awesome.
Will use this occasion to do some "training" with the tool ;)
User avatar
jonnybischof
Reactions:
Posts: 310
Joined: February 15th, 2016, 2:48 am
Location: Zurich, Switzerland
3D Printer(s): UMO

Re: UM2 Pinout Grafic?

Post by jonnybischof »

Done.
Now let's see if the forum lets me upload all that stuff...

Looks like it does <3

Ultimainboard V2.1.4 Bill of materials.xlsx
(17.97 KiB) Downloaded 2406 times
Bill of materials. Unformatted (takes a lot of time). I just took those fields that made sense. The database is not very tidy so I didn't want to put too much effort into it.

Ultimainboard V2.1.4 schematics.PDF
(1.59 MiB) Downloaded 3868 times
Schematics, PDF export of original files

Ultimainboard V2.1.4 PCBA overview.pdf
(151.52 KiB) Downloaded 3109 times
Documentation output showing the connections and pinout

Ultimainboard V2.1.4 PCBA dimensions.pdf
(103.42 KiB) Downloaded 2113 times
Documentation output showing the PCB dimensions

Ultimaker_V2.1.4 3D step.zip
(2.81 MiB) Downloaded 1864 times
3D step export

If you need anything else, just ask ;)
reibuehl
Reactions:
Posts: 510
Joined: February 9th, 2016, 9:56 am
Location: Stuttgart, Germany
3D Printer(s): BambuLab X1C, Ultimaker 2

Re: UM2 Pinout Grafic?

Post by reibuehl »

Wow! Very nice job! I love the detail magnification of the pins. Many thanks! I wonder if Ultimaker would accept a git pull request with these files :-)
Post Reply

Return to “Ultimaker 2 / Ultimaker 2+ / Extended & Go”